How much of the 128K/512K hardware has been reverse engineered?

max1zzz

Moderator
Staff member
Sep 23, 2021
269
673
93
29
This is what I used, LINK. I've also attached the exact pinout of this chip below, which is an exact match to the original chip's pinout.

View attachment 7078
Here's a photo of the same chip in my 512k board:
View attachment 7079
Oh sweet, I thought that was a custom chip! Ordered a few for testing :)

That's a good find!
Could this also be compatible with other versions of the mac? Or just the 128k/512k?
Off the top of my head I belive that chip is used in the 128k -> SE/30, as well as the II, IIx and IIcx (as well as the classic however that has the chip in a different package)
 

trag

Tinkerer
Oct 25, 2021
303
151
43
Off the top of my head I belive that chip is used in the 128k -> SE/30, as well as the II, IIx and IIcx (as well as the classic however that has the chip in a different package)

Is that the same as the Apple 343-0042-B, then? That's what I have down for the SE/30 Clock chip, but it is also an 8 pin DIP, and I wouldn't be surprised if Apple just licensed the design and changed the part number.

BTW, the link way above is to an Analog Devices part at Digikey who is out of stock, but Mouser seems to have plenty of the Maxim version.

Ah, looks like Analog Devices bought Maxim a while back.
 

Kai Robinson

TinkerDifferent Board President 2023
Staff member
Founder
Sep 2, 2021
1,322
1
1,314
113
43
Worthing, UK
The DS1307 is not the same. PRAM size is too small, for one. Needs to be 256byte at least.
 

Attachments

  • PRAM-Clock.pdf
    1.5 MB · Views: 199

trag

Tinkerer
Oct 25, 2021
303
151
43
The DS1307 is not the same. PRAM size is too small, for one. Needs to be 256byte at least.

Well now you have you me confused. My notes have a 343-0042-B at UM5 on the IIcx and it is a DIP8. And I have a 3440042B at UK4 for the SE/30 and again a DIP8.

But the datasheet you shared clearly shows a PLCC20.

Are you able to resolved the confusion?

Later: Ah, but looking more closely, there are only 8 active pins on that PLCC20. So perhaps the datasheet says PLCC20, but they ended up putting it in a DIP8?
 
  • Like
Reactions: Kai Robinson

trag

Tinkerer
Oct 25, 2021
303
151
43
Hmmm. Looks like the DS1388 might work as a replacement -- at least feature-wise. I haven't checked the command structure. It would probably require a GLUE chip in between to translate.
 

Attachments

  • DS1388.pdf
    241.6 KB · Views: 175

Kai Robinson

TinkerDifferent Board President 2023
Staff member
Founder
Sep 2, 2021
1,322
1
1,314
113
43
Worthing, UK
Well now you have you me confused. My notes have a 343-0042-B at UM5 on the IIcx and it is a DIP8. And I have a 3440042B at UK4 for the SE/30 and again a DIP8.

But the datasheet you shared clearly shows a PLCC20.

Are you able to resolved the confusion?

Later: Ah, but looking more closely, there are only 8 active pins on that PLCC20. So perhaps the datasheet says PLCC20, but they ended up putting it in a DIP8?

The datasheet is for the PLCC20 part (343S0042), but that's identical to the silicon in the DIP8 part (344-0042 or 343-0042). Every other spec there is the same as the DIP-8 part.
 
  • Like
Reactions: trag

jajan547

Active Tinkerer
Mar 25, 2022
738
297
63
Houston, Texas, USA
Alrighty, please do let me know if I need to retake these. I apologize for the photo size but I think it'll help when it comes to editing them over the Schematics.

Photos below:

Macintosh 128k (Has Fat Mac Mod):
tempImagecAWxX8.jpg

tempImageROLAJp.jpg


Macintosh 512k:
tempImageXCQt4Q.jpg

tempImage8a7tYL.jpg
 

trag

Tinkerer
Oct 25, 2021
303
151
43
Whoa did I miss a ton here when I say this chip I found is a replacement it’s for the 0042 and I’ve had no issues.

I think the issue is that it is not a proper replacement for the Mac II family, but I think Kai knows with more confidence. Above, max1zzz stated that the D1307 was a replacement for the clock in the Mac II family (unless I misunderstood) and that is what triggered the flurry.

D1307 looks like a great find for the 68000 based compact Macs.
 

max1zzz

Moderator
Staff member
Sep 23, 2021
269
673
93
29
I think the issue is that it is not a proper replacement for the Mac II family, but I think Kai knows with more confidence. Above, max1zzz stated that the D1307 was a replacement for the clock in the Mac II family (unless I misunderstood) and that is what triggered the flurry.

D1307 looks like a great find for the 68000 based compact Macs.
I was under the impression that the 68000 compacts and mac II family used the same RTC hence my "should work" statement but it is entirely possible I am wrong there! Still waiting for the chips so Ic an do some experimentation
 

Trash80toG4

Active Tinkerer
Apr 1, 2022
1,158
343
83
Bermuda Triangle, NC USA
Again:
Mac Plus is the perfect platform for this insanity, who hasn't got one to spare? If you have two, but no spare, put 'em in a dark closet for a couple of months. :p

How many of a Plus donor board's components would be drop-ins for insane 128K/512K Rechambered notion?

Moved this tangent to its own thread to keep this one on track.
 

max1zzz

Moderator
Staff member
Sep 23, 2021
269
673
93
29
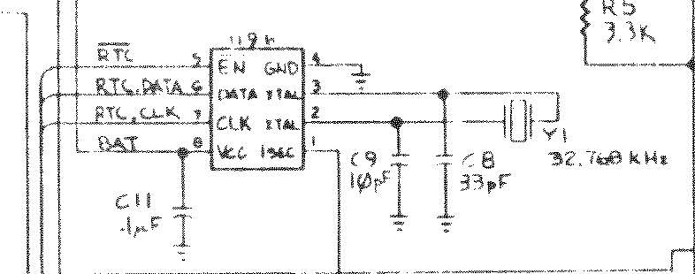
Maybe I'm going mad, but the DS1307 has a completely different pinout to the apple RTC from what I can see....
The 512K and Plus seem to use pats with the same pinout:
Screenshot from 2022-07-31 11-31-34.png
Screenshot from 2022-07-31 11-29-29.png

But the DS1307 is differen't:
1659263796434.png


I stand corrected on the hole "should work in the II series" thing though, the 128k / 512k do indeed use a differen't part than later macs (Which I would have known if I had read @jajan547's post fully!)
 
Last edited:

jajan547

Active Tinkerer
Mar 25, 2022
738
297
63
Houston, Texas, USA
Maybe I'm going mad, but the DS1307 has a completely different pinout to the apple RTC from what I can see....
The 512K and Plus seem to use pats with the same pinout:
View attachment 7213View attachment 7214
But the DS1307 is differen't:
View attachment 7215

I stand corrected on the hole "should work in the II series" thing though, the 128k / 512k do indeed use a differen't part than later macs (Which I would have known if I had read @jajan547's post fully!)
If anyone wants I can prove that chip works and yes only for 128k and 512k it changed with the introduction of the Macintosh Plus.