I think I see what's doing it in the Portable Control Panel 1.3. Included are two ROM patches, one replacing the BatWatch VBL task and one for the SndWatch VBL task I posted earlier.
I believe the BatWatch patch is to add dimming of the backlight when the battery is low and a new message for backlights.
This is the SndWatch patch:
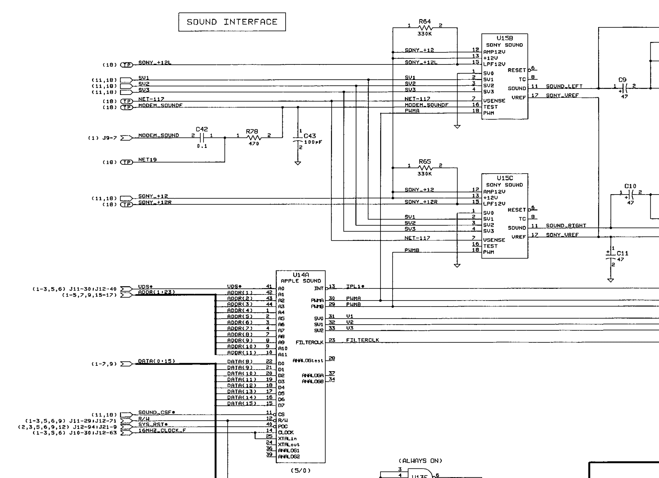
If you compare it with the SndWatch code I posted earlier, you'll notice they completely removed both the code to turn off sound power, as well as the code to only turn sound power on if it's currently off. The command to turn sound on and clear the sound latch is always sent every 10 seconds.
There's also a note included to "leave sound power on for backlit units due to noise problems" though I'm not sure whether the noise is referring to the sound or the backlight.
Since the M5126 has the ability to even turn sound off removed, turning the sound off doesn't do anything. However the command has two bits, bit 0 turns the sound off and bit 1 clears the latch on VIA bit 7. Clearing the latch on bit 7 likely makes the other piece of code think that sound was turned on and plays the "pop".
The only place where this code would really do anything is on the M5120 Portable with a backlight upgrade, since power to the sound can still be turned off there. At least they implemented the backlight properly on that card, unlike the shortcut they took with the M5126 ruining a bunch of undocumented functionality (such as 9MB of RAM).
I believe the BatWatch patch is to add dimming of the backlight when the battery is low and a new message for backlights.
This is the SndWatch patch:
Code:
movea.l PowerMgrVars,A2
lea (SwVBLTask,A2),A0
move.w #600,(vblCount,A0)
subq.w #4,SP
movea.l SP,A0
move.w #soundRead,D0
movea.l #PMGRrecv,A3
jsr (A3)
move.b (A0),D2
btst.l #1,D2
beq.b .L1
bsr.w PMGRsend
_IdleUpdate
.L1:
move.b #3,(A0)
moveq #1,D1
move.w #soundSet,D0
movea.l #PMGRsend,A3
jsr (A3)
addq.w #4,SP
rts
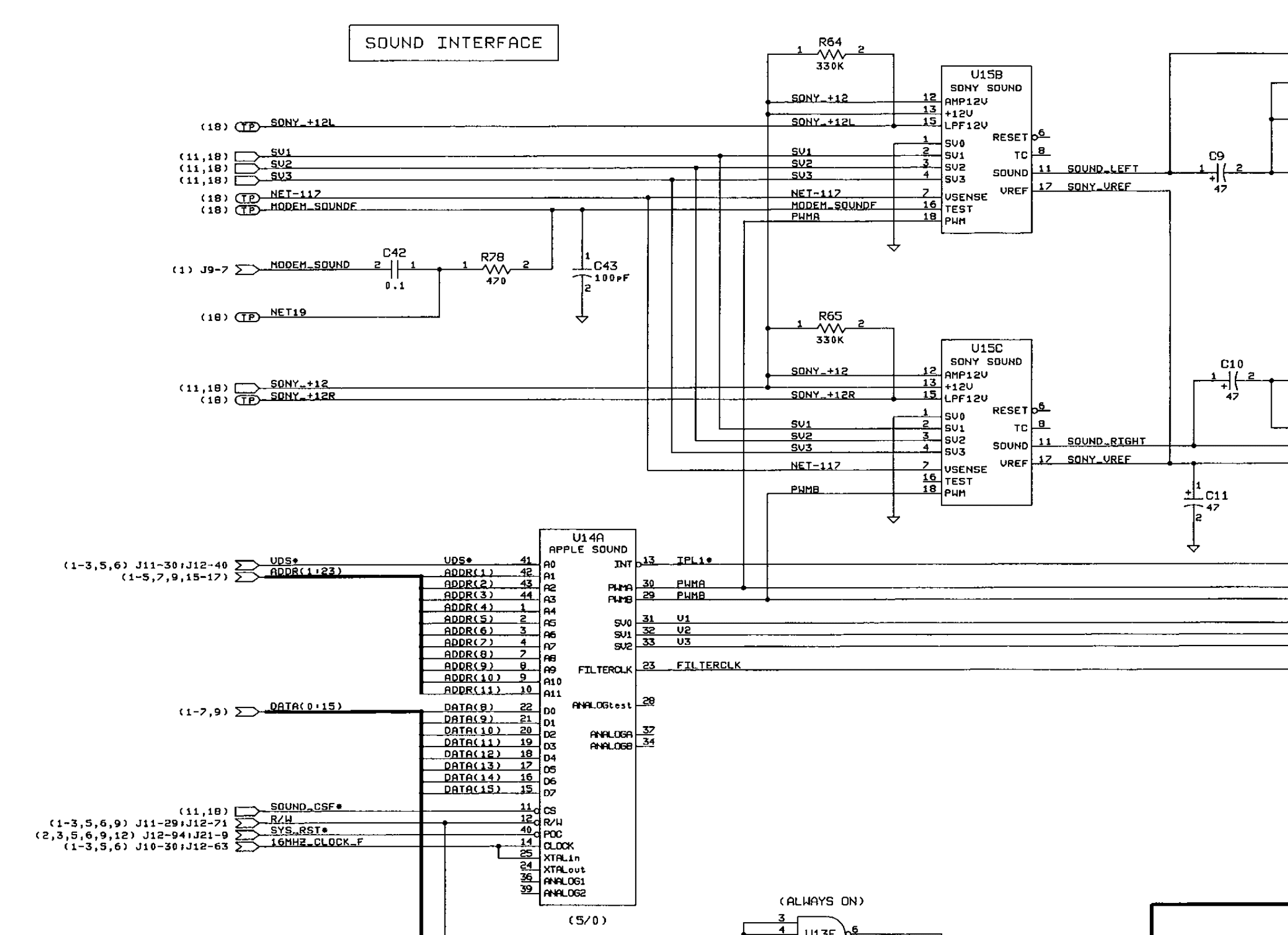
If you compare it with the SndWatch code I posted earlier, you'll notice they completely removed both the code to turn off sound power, as well as the code to only turn sound power on if it's currently off. The command to turn sound on and clear the sound latch is always sent every 10 seconds.
There's also a note included to "leave sound power on for backlit units due to noise problems" though I'm not sure whether the noise is referring to the sound or the backlight.
Since the M5126 has the ability to even turn sound off removed, turning the sound off doesn't do anything. However the command has two bits, bit 0 turns the sound off and bit 1 clears the latch on VIA bit 7. Clearing the latch on bit 7 likely makes the other piece of code think that sound was turned on and plays the "pop".
The only place where this code would really do anything is on the M5120 Portable with a backlight upgrade, since power to the sound can still be turned off there. At least they implemented the backlight properly on that card, unlike the shortcut they took with the M5126 ruining a bunch of undocumented functionality (such as 9MB of RAM).


